Many
Manuals
search
Categorias
Marcas
Principal
ITT
não
AAMM-01
Manual do Utilizador
ITT AAMM-01 Manual do Utilizador Página 10
Descarregar
Partilhar
Partilha
Adicionar aos meus manuais
Imprimir
Página
/
24
Índice
MARCADORES
Avaliado
.
/ 5. Com base em
avaliações de clientes
1
2
3
4
5
6
7
8
9
10
11
12
13
14
15
16
17
18
19
20
21
22
23
24
10
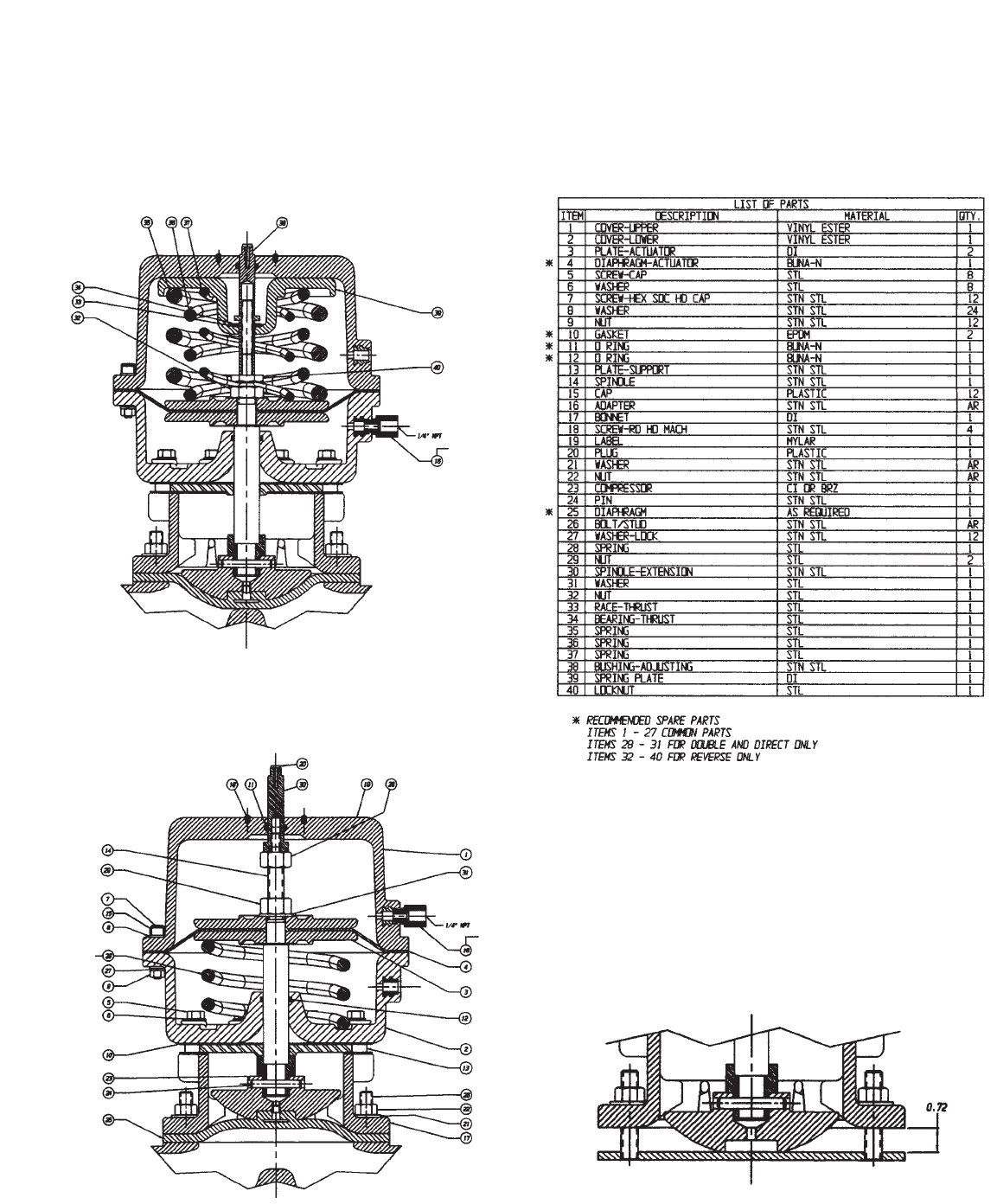
ADV
ANT
AGE
®
ACTU
A
TOR
3” - 4” (SERIES 33)
(DIN 80-100)
QTY
. REQUIRED,
1 FOR REV
. ACT
.
REVERSE ACTING
DOUBLE & DIRECT
ACTING
QTY
. REQUIRED,
1 FOR DIR. ACT
.
2 FOR DBL. ACT
.
FURNISHED
WITH DIR.
ACT
. ONL
Y
REVERSE ACTING
ACTUA
TOR DIAPHRAGM REPLACEMENT
1
2
...
5
6
7
8
9
10
11
12
13
14
15
...
23
24
Advantage
1
Actuator
1
Maintenance Manual
1
FIGURE 1
8
1/4” - 2”
8
(DIN 8-50)
8
3” - 4” (SERIES 47)
9
ADVANTAGE
10
ACTUATOR
10
3” - 4” (SERIES 33)
10
(DIN 80-100)
10
SWITCH PACK 2, SP2.0
12
FIGURE 3
12
SWITCH PACK 2.5, SP2.5
14
FIGURE 3A
14
SWITCH PACK 3.0, SP3.0
16
FIGURE 3B
16
POSITIONER
18
FIGURE 4
18
⁄4” - 4”
18
(DIN 20-100)
18
FIGURE 5
19
Pure-Flo Solutions Group
24
Comentários a estes Manuais
Sem comentários
Publish
Manuais e produtos relacionados com não ITT AAMM-01
não ITT 801P5 Manual do Utilizador
(45 páginas)
não ITT EKS-701 Manual do Utilizador
(33 páginas)
não ITT SSH-C Manual do Utilizador
(36 páginas)
não ITT IRRI-GATOR GT30 Manual do Utilizador
(24 páginas)
Imprimir documento
Imprimir página 10
Comentários a estes Manuais